FEATURES:

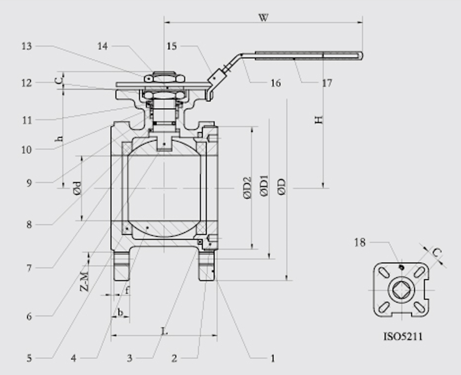
| DN | Ød | L | D | D1 | D2 | B | F | H | W | C | ISO5211 | Z-M | N.M | KG |
| 15 | 15 | 36 | 95 | 65 | 45 | 11 | 2 | 89 | 117 | 9 | F03/F04 | 4-M12 | 5 | 1,21 |
| 20 | 20 | 38 | 105 | 75 | 58 | 11 | 2 | 94 | 117 | 9 | F03/F04 | 4-M12 | 8 | 1,53 |
| 25 | 25 | 50 | 115 | 85 | 68 | 12 | 2 | 90 | 164 | 11 | F04/F05 | 4-M12 | 10 | 1,95 |
| 32 | 32 | 53 | 140 | 100 | 78 | 14 | 2 | 100 | 164 | 11 | F04/F05 | 4-M16 | 14 | 3,10 |
| 40 | 40 | 65 | 150 | 110 | 88 | 15 | 3 | 105 | 203 | 14 | F05/F07 | 4-M16 | 18 | 4,18 |
| 50 | 50 | 78 | 165 | 125 | 102 | 16 | 3 | 125 | 203 | 14 | F05/F07 | 4-M16 | 25 | 5,37 |
| 65 | 65 | 98 | 185 | 145 | 122 | 16 | 3 | 140 | 255 | 17 | F07/F10 | 4-M16 | 48 | 10,10 |
| 80 | 76 | 118 | 200 | 160 | 138 | 18 | 3 | 145 | 255 | 17 | F07/F10 | 4-M16 | 75 | 12,30 |
| 100 | 94 | 140 | 220 | 180 | 158 | 18 | 3 | 175 | 302 | 17 | F07/F10 | 4-M16 | 110 | 19,40 |