
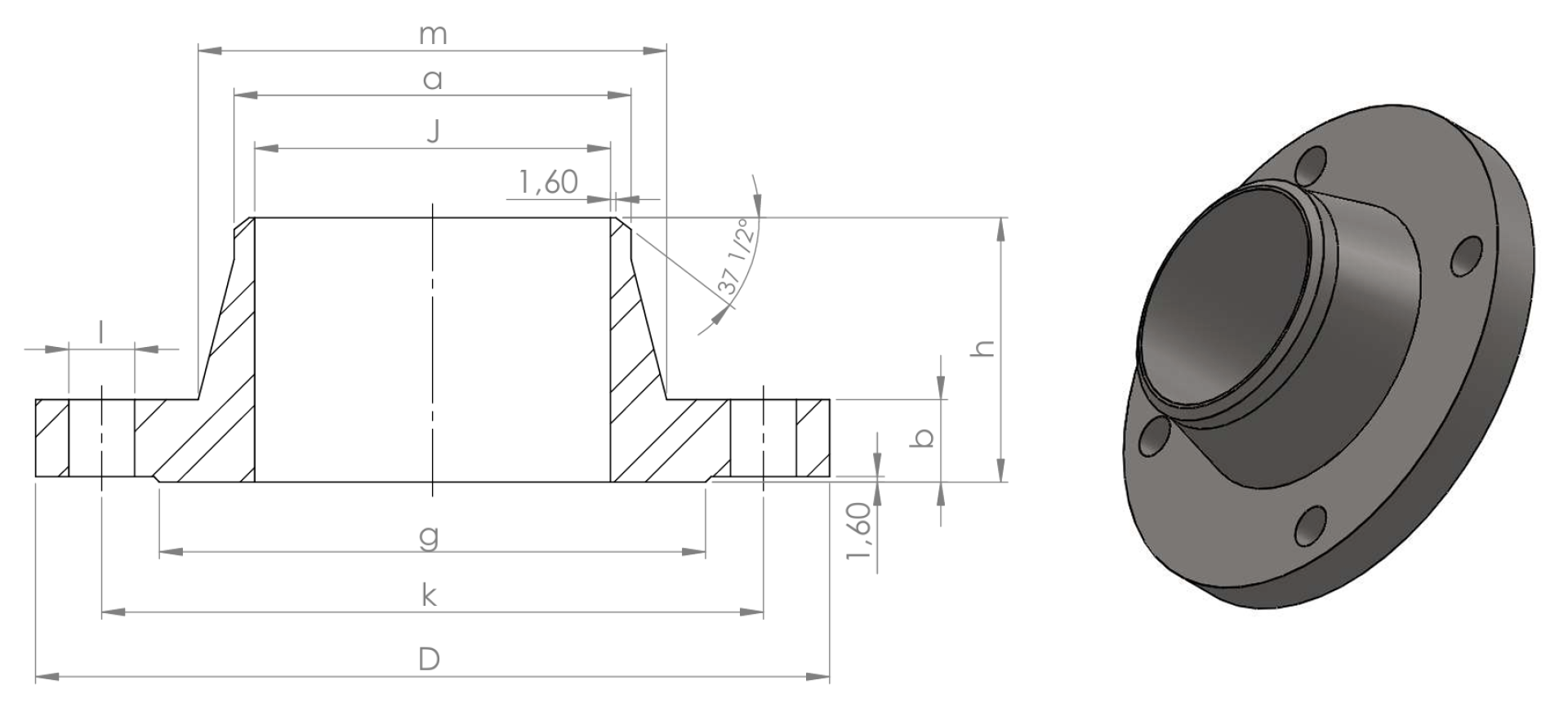
Flange a collarino ANSI 150 LB
| DN | a | D | J | b | h | m | g | k | N. FORI | I | Kg |
| 1/2" | 21,3 | 88,9 | 15,7 | 11,1 | 47,6 | 30,2 | 34,9 | 60,3 | 4 | 15,9 | 0,8 |
| 3/4" | 26,7 | 98,4 | 20,8 | 12,7 | 52,4 | 38,1 | 42,9 | 69,8 | 4 | 15,9 | 1,0 |
| 1" | 33,5 | 107,9 | 26,7 | 14,3 | 55,6 | 49,2 | 50,8 | 79,4 | 4 | 15,9 | 1,1 |
| 1"1/4 | 42,2 | 117,5 | 35,1 | 15,9 | 57,1 | 58,8 | 63,5 | 88,9 | 4 | 15,9 | 1,4 |
| 1"1/2 | 48,3 | 127 | 40,9 | 17,5 | 61,9 | 65,1 | 73 | 98,4 | 4 | 15,9 | 1,8 |
| 2" | 60,4 | 152,4 | 52,6 | 19 | 63,5 | 77,8 | 92,1 | 120,6 | 4 | 19 | 2,7 |
| 2"1/2 | 73,1 | 177,8 | 62,7 | 22,2 | 69,8 | 90,5 | 104,8 | 139,7 | 4 | 19 | 3,6 |
| 3" | 88,9 | 190,5 | 78 | 23,8 | 69,8 | 107,9 | 127 | 152,4 | 4 | 19 | 4,5 |
| 3"1/2 | 101,6 | 215,9 | 90,2 | 23,8 | 71,4 | 122,2 | 139,7 | 177,8 | 8 | 19 | 5,4 |
| 4" | 114,3 | 228,6 | 102,4 | 23,8 | 76,2 | 134,9 | 157,2 | 190,5 | 8 | 19 | 6,8 |
| 5" | 141,2 | 254 | 128,3 | 23,8 | 88,9 | 163,5 | 185,7 | 215,9 | 8 | 22,2 | 8,6 |
| 6" | 168,4 | 279,4 | 154,2 | 25,4 | 88,9 | 192,1 | 215,9 | 241,3 | 8 | 22,2 | 10,9 |
| 8" | 219,2 | 342,9 | 202,7 | 28,6 | 101,6 | 246,1 | 269,9 | 298,5 | 8 | 22,2 | 17,7 |
| 10" | 273 | 406,4 | 254,5 | 30,2 | 101,6 | 304,8 | 323,8 | 361,9 | 12 | 25,4 | 23,6 |
| 12" | 323,8 | 482,6 | 304,8 | 31,7 | 114,3 | 365,1 | 381 | 431,8 | 12 | 25,4 | 36,3 |
| 14" | 355,6 | 533,4 | 336,5 | 34,9 | 127 | 400 | 412,7 | 476,2 | 12 | 28,6 | 46,3 |
| 16" | 406,4 | 596,9 | 387,3 | 36,5 | 127 | 457,2 | 469,9 | 539,7 | 16 | 28,6 | 57,7 |
| 18" | 457,2 | 635 | 438,1 | 39,7 | 139,7 | 504,8 | 533,4 | 577,8 | 16 | 31,7 | 63,6 |
| 20" | 508 | 698,5 | 488,9 | 42,9 | 144,5 | 558,8 | 584,2 | 635 | 20 | 31,7 | 77,2 |
| 22" | 558,8 | 749,3 | 539,7 | 46 | 149,2 | 609,6 | 641,2 | 692,1 | 20 | 34,9 | 102,0 |
Disponibilità a magazzino fino al DN3"1/2, su ordinazione fino al DN22".
Flange a collarino ANSI 300 LB
| DN | a | D | J | b | h | m | g | k | N. FORI | I | Kg |
| 1/2" | 21,3 | 95,2 | 15,7 | 14,3 | 52,4 | 38,1 | 34,9 | 66,7 | 4 | 15,9 | 1,0 |
| 3/4" | 26,7 | 117,5 | 20,8 | 15,9 | 57,1 | 47,6 | 42,9 | 82,5 | 4 | 19 | 1,4 |
| 1" | 33,5 | 123,8 | 26,7 | 17,5 | 61,9 | 54 | 50,8 | 88,9 | 4 | 19 | 1,8 |
| 1"1/4 | 42,2 | 133,3 | 35,1 | 19 | 65,1 | 63,5 | 63,5 | 98,4 | 4 | 22,2 | 2,7 |
| 1"1/2 | 48,3 | 155,6 | 40,9 | 20,6 | 68,3 | 69,8 | 73 | 114,3 | 4 | 22,2 | 3,6 |
| 2" | 60,4 | 165,1 | 52,6 | 22,2 | 69,8 | 84,1 | 92,1 | 127 | 8 | 19 | 4,1 |
| 2"1/2 | 73,1 | 190,5 | 62,7 | 25,4 | 76,2 | 100 | 104,8 | 149,2 | 8 | 22,2 | 5,4 |
| 3" | 88,9 | 209,5 | 78 | 28,6 | 79,4 | 117,5 | 127 | 168,3 | 8 | 22,2 | 6,8 |
| 3"1/2 | 101,6 | 228,6 | 90,2 | 30,2 | 81 | 133,3 | 139,7 | 184,1 | 8 | 22,2 | 8,2 |
| 4" | 114,3 | 254 | 102,4 | 31,7 | 85,7 | 146 | 157,2 | 200 | 8 | 22,2 | 11,3 |
| 5" | 141,2 | 279,4 | 128,3 | 34,9 | 98,4 | 177,8 | 185,7 | 234 | 8 | 22,2 | 14,5 |
| 6" | 168,4 | 317,5 | 154,2 | 36,5 | 98,4 | 206,4 | 215,9 | 269,9 | 12 | 22,2 | 19,0 |
| 8" | 219,2 | 381 | 202,7 | 41,3 | 111,1 | 260,3 | 269,9 | 330,2 | 12 | 25,4 | 30,5 |
| 10" | 273 | 444,5 | 254,5 | 47,6 | 117,5 | 320,7 | 323,8 | 387,3 | 16 | 28,6 | 41,5 |
| 12" | 323,8 | 520,7 | 304,8 | 50,8 | 130,2 | 374,6 | 381 | 450,8 | 16 | 31,7 | 62,5 |
| 14" | 355,6 | 584,2 | 336,5 | 54 | 142,9 | 425,4 | 412,7 | 514,3 | 20 | 31,7 | 84,5 |
| 16" | 406,4 | 647,7 | 387,3 | 57,1 | 146 | 482,6 | 469,9 | 571,5 | 20 | 34,9 | 111,5 |
| 18" | 457,2 | 711,2 | 438,1 | 60,3 | 158,7 | 533,4 | 533,4 | 628,6 | 24 | 34,9 | 138,0 |
| 20" | 508 | 774,7 | 488,9 | 63,5 | 161,9 | 587,4 | 584,2 | 685,8 | 24 | 34,9 | 172,0 |
| 22" | 558,8 | 838,2 | 539,7 | 66,7 | 165,1 | 641,2 | 641,2 | 742,9 | 24 | 41,3 | 195,0 |
Disponibilità a magazzino fino al DN3"1/2, su ordinazione fino al DN22".