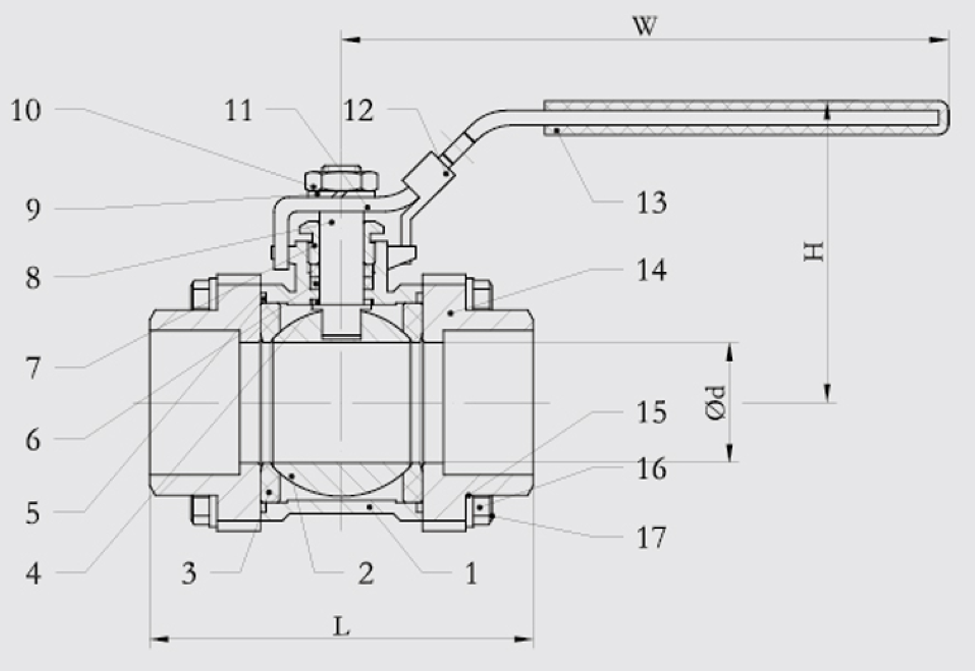
CARATTERISTICHE:

| DN | Ød | L | H | P | D | W | N.M | KG |
| 8 | 11 | 51 | 43,5 | 9,6 | 14,1 | 103 | 5 | 0,29 |
| 10 | 12,5 | 51 | 44,5 | 9,6 | 17,6 | 103 | 5 | 0,29 |
| 15 | 15 | 63 | 50 | 9,6 | 21,7 | 103 | 6 | 0,43 |
| 20 | 20 | 71 | 59 | 12,7 | 27,1 | 127 | 10 | 0,61 |
| 25 | 25 | 80 | 61 | 12,7 | 33,8 | 127 | 12 | 0,80 |
| 32 | 32 | 94 | 79 | 12,7 | 42,5 | 154 | 17 | 1,43 |
| 40 | 38 | 103 | 83 | 12,7 | 48,6 | 154 | 30 | 1,73 |
| 50 | 50 | 126 | 94 | 15,8 | 61,1 | 195 | 48 | 2,72 |
| 65 | 65 | 158 | 135 | 15,8 | 77 | 244 | 58 | 5,44 |
| 80 | 76 | 179 | 144 | 24 | 90 | 244 | 96 | 7,64 |
| 100 | 94 | 213 | 149 | 24 | 115,2 | 285 | 124 | 15,78 |