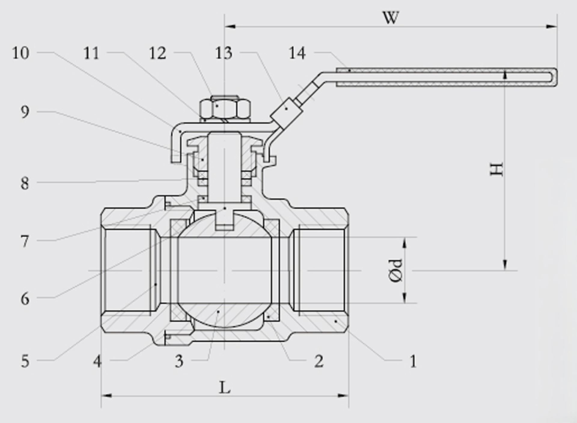
CARATTERISTICHE:

| DN | Ød | L | H | W | N.M | Kg |
| 8 | 11 | 50 | 49 | 106 | 4 | 0,19 |
| 10 | 12,5 | 50 | 49 | 106 | 4 | 0,19 |
| 15 | 15 | 55 | 51 | 106 | 5 | 0,26 |
| 20 | 20 | 66 | 58 | 116 | 8 | 0,41 |
| 25 | 25 | 79 | 73 | 148 | 10 | 0,66 |
| 32 | 32 | 90 | 79 | 148 | 14 | 1,00 |
| 40 | 38 | 99 | 85 | 182 | 25 | 1,30 |
| 50 | 50 | 120 | 95 | 182 | 40 | 2,10 |
| 65 | 65 | 147 | 126 | 252 | 48 | 3,83 |
| 80 | 76 | 172 | 138 | 252 | 80 | 5,74 |
| 100 | 94 | 220 | 158 | 283 | 103 | 10,70 |