
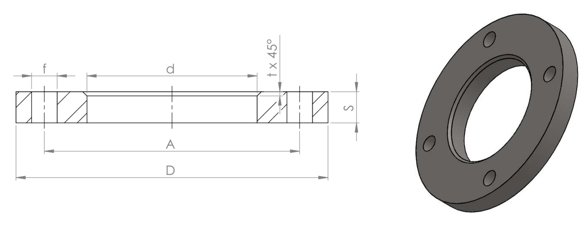
Flange libere EN1092-1 PN10 Tipo 2A (ex UNI 6089)
| DN | d | D | S | A | f | N. FORI | t | Kg |
| 25 | 38 | 115 | 16 | 85 | 14 | 4 | 4 | 1,08 |
| 32 | 47 | 140 | 18 | 100 | 18 | 4 | 5 | 1,79 |
| 40 | 53 | 150 | 18 | 110 | 18 | 4 | 5 | 2,04 |
| 50 | 65 | 165 | 19 | 125 | 18 | 4 | 5 | 2,54 |
| 65 | 81 | 185 | 20 | 145 | 18 | 8 | 6 | 3,09 |
| 80 | 94 | 200 | 20 | 160 | 18 | 8 | 6 | 3,52 |
| 100 | 120 | 220 | 22 | 180 |
18 | 8 | 6 | 4,26 |
| 125 | 145 | 250 | 22 | 210 | 18 | 8 | 6 | 5,27 |
| 150 | 174 | 285 | 24 | 240 | 22 | 8 | 6 | 6,96 |
| 200 | 226 | 340 | 24 | 295 | 22 | 8 | 6 | 8,97 |
| 250 | 281 | 395 | 26 | 350 | 22 | 12 | 8 | 11,42 |
| 300 | 333 | 445 | 26 | 400 | 22 | 12 | 8 | 13,03 |
| 350 | 365 | 505 | 28 | 460 | 22 | 16 | 8 | 19,68 |
| 400 | 416 | 565 | 32 | 515 | 26 | 16 | 8 | 26,69 |
| 450 | 467 | 615 | 36 | 565 | 26 | 20 | 8 | 32,53 |
| 500 | 519 | 670 | 38 | 620 | 26 | 20 | 8 | 38,88 |
Disponibilità a magazzino fino al DN300, su ordinazione fino al DN500.
Flange libere EN1092-1 PN16 Tipo 2A (ex UNI 6090)
| DN | d | D | S | A | f | N. FORI | t | Kg |
| 25 | 38 | 115 | 16 | 85 | 14 | 4 | 4 | 1,11 |
| 32 | 47 | 140 | 18 | 100 | 18 | 4 | 5 | 1,63 |
| 40 | 53 | 150 | 18 | 110 | 18 | 4 | 5 | 1,85 |
| 50 | 65 | 165 | 19 | 125 | 18 | 4 | 5 | 2,16 |
| 65 | 81 | 185 | 20 | 145 | 18 | 8 | 6 | 2,60 |
| 80 | 94 | 200 | 20 | 160 | 18 | 8 | 6 | 3,14 |
| 100 | 120 | 220 | 22 | 180 |
18 | 8 | 6 | 3,63 |
| 125 | 145 | 250 | 22 | 210 | 18 | 8 | 6 | 4,90 |
| 150 | 174 | 285 | 24 | 240 | 22 | 8 | 6 | 5,54 |
| 200 | 226 | 340 | 26 | 295 | 22 | 12 | 6 | 7,22 |
| 250 | 281 | 405 | 29 | 355 | 26 | 12 | 8 | 12,00 |
| 300 | 333 | 460 | 32 | 410 | 26 | 12 | 8 | 16,30 |
| 350 | 365 | 520 | 35 | 470 | 26 | 16 | 8 | 25,40 |
| 400 | 416 | 580 | 38 | 525 | 30 | 16 | 8 | 33,40 |
| 450 | 467 | 640 | 42 | 585 | 30 | 20 | 8 | 43,30 |
| 500 | 510 | 715 | 46 | 650 | 33 | 20 | 8 | 60,60 |
Disponibilità a magazzino fino al DN300, su ordinazione fino al DN500.