
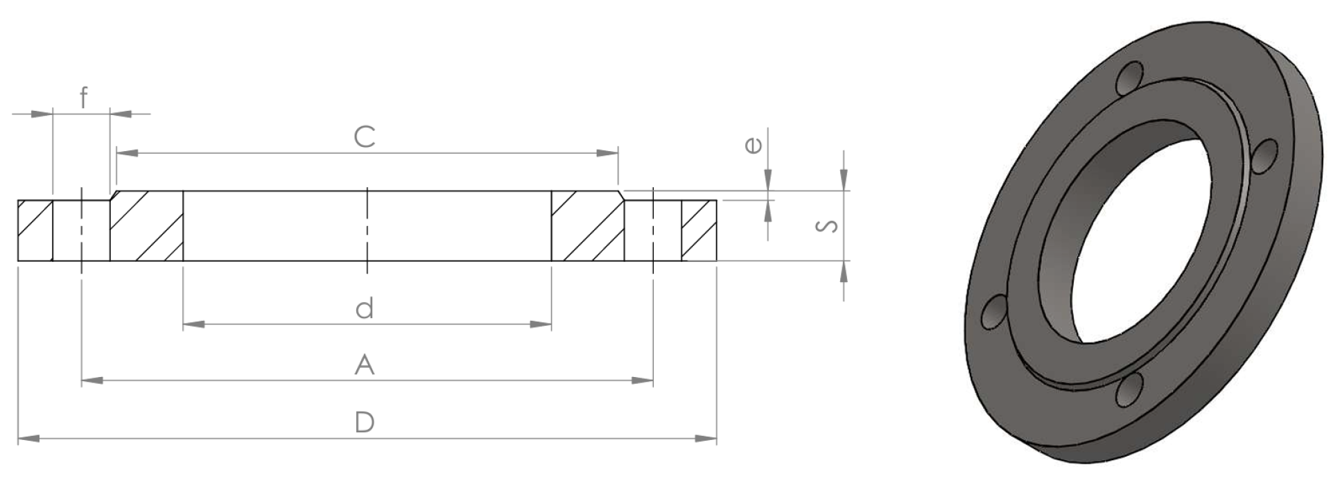
Flange con gradino EN1092-1 PN10 Tipo 1B (ex UNI 2277/29)
| DN | d | D | S | A | f | N. FORI | C | e | Kg |
| 15 | 22 | 95 | 14 | 65 | 14 | 4 | 45 | 2 | 0,59 |
| 20 | 27,5 | 105 | 16 | 75 | 14 | 4 | 58 | 2 | 0,85 |
| 25 | 34,5 | 115 | 16 | 85 | 14 | 4 | 68 | 2 | 1,01 |
| 32 | 43,5 | 140 | 18 | 100 | 18 | 4 | 78 | 2 | 1,67 |
| 40 | 49,5 | 150 | 18 | 110 | 18 | 4 | 88 | 3 | 1,83 |
| 50 | 61,5 | 165 | 19 | 125 | 18 | 4 | 102 | 3 | 2,31 |
| 65 | 77,5 | 185 | 20 | 145 | 18 | 8 | 122 | 3 | 2,85 |
| 80 | 90,5 | 200 | 20 | 160 | 18 | 8 | 138 | 3 | 3,26 |
| 100 | 116 | 220 | 22 | 180 |
18 | 8 | 158 | 3 | 4,00 |
| 125 | 141,5 | 250 | 22 | 210 | 18 | 8 | 188 | 3 | 4,95 |
| 150 | 170,5 | 285 | 24 | 240 | 22 | 8 | 212 | 3 | 6,54 |
| 200 | 221,5 | 340 | 24 | 295 | 22 | 8 | 268 | 3 | 8,53 |
| 250 | 276,5 | 395 | 26 | 350 | 22 | 12 | 320 | 3 | 10,93 |
| 300 | 327,5 | 445 | 26 | 400 | 22 | 12 | 370 | 4 | 12,25 |
| 350 | 359,5 | 505 | 28 | 460 | 22 | 16 | 430 | 4 | 18,83 |
| 400 | 411 | 565 | 32 | 515 | 26 | 16 | 482 | 4 | 25,63 |
| 450 | 462 | 615 | 36 | 565 | 26 | 20 | 532 | 4 | 31,54 |
| 500 | 513,5 | 670 | 38 | 620 | 26 | 20 | 585 | 4 | 37,91 |
| 600 | 616,5 | 780 | 42 | 725 | 30 | 20 | 685 | 5 | 50,70 |
Disponibilità a magazzino fino al DN300, su ordinazione fino al DN600.
Flange con gradino EN1092-1 PN16 Tipo 1B (ex UNI 2278/29)
| DN | d | D | S | A | f | N. FORI | C | e | Kg |
| 15 | 22 | 95 | 14 | 65 | 14 | 4 | 45 | 2 | 0,59 |
| 20 | 27,5 | 105 | 16 | 75 | 14 | 4 | 58 | 2 | 0,85 |
| 25 | 34,5 | 115 | 16 | 85 | 14 | 4 | 68 | 2 | 1,01 |
| 32 | 43,5 | 140 | 18 | 100 | 18 | 4 | 78 | 2 | 1,67 |
| 40 | 49,5 | 150 | 18 | 110 | 18 | 4 | 88 | 3 | 1,83 |
| 50 | 61,5 | 165 | 19 | 125 | 18 | 4 | 102 | 3 | 2,31 |
| 65 | 77,5 | 185 | 20 | 145 | 18 | 8 | 122 | 3 | 2,85 |
| 80 | 90,5 | 200 | 20 | 160 | 18 | 8 | 138 | 3 | 3,26 |
| 100 | 116 | 220 | 22 | 180 |
18 | 8 | 158 | 3 | 4,00 |
| 125 | 141,5 | 250 | 22 | 210 | 18 | 8 | 188 | 3 | 4,95 |
| 150 | 170,5 | 285 | 24 | 240 | 22 | 8 | 212 | 3 | 6,54 |
| 200 | 221,5 | 340 | 26 | 295 | 22 | 12 | 268 | 3 | 9,03 |
| 250 | 276,5 | 405 | 29 | 355 | 26 | 12 | 320 | 3 | 13,21 |
| 300 | 327,5 | 460 | 32 | 410 | 26 | 12 | 378 | 4 | 17,48 |
| 350 | 359,5 | 520 | 35 | 470 | 26 | 16 | 438 | 4 | 26,44 |
| 400 | 411 | 580 | 38 | 525 | 30 | 16 | 490 | 4 | 33,83 |
| 450 | 462 | 640 | 42 | 585 | 30 | 20 | 550 | 4 | 43,91 |
| 500 | 513,5 | 715 | 46 | 650 | 33 | 20 | 610 | 4 | 61,10 |
| 600 | 616,5 | 840 | 52 | 770 | 36 | 20 | 725 | 5 | 91,26 |
Disponibilità a magazzino fino al DN300, su ordinazione fino al DN600.