
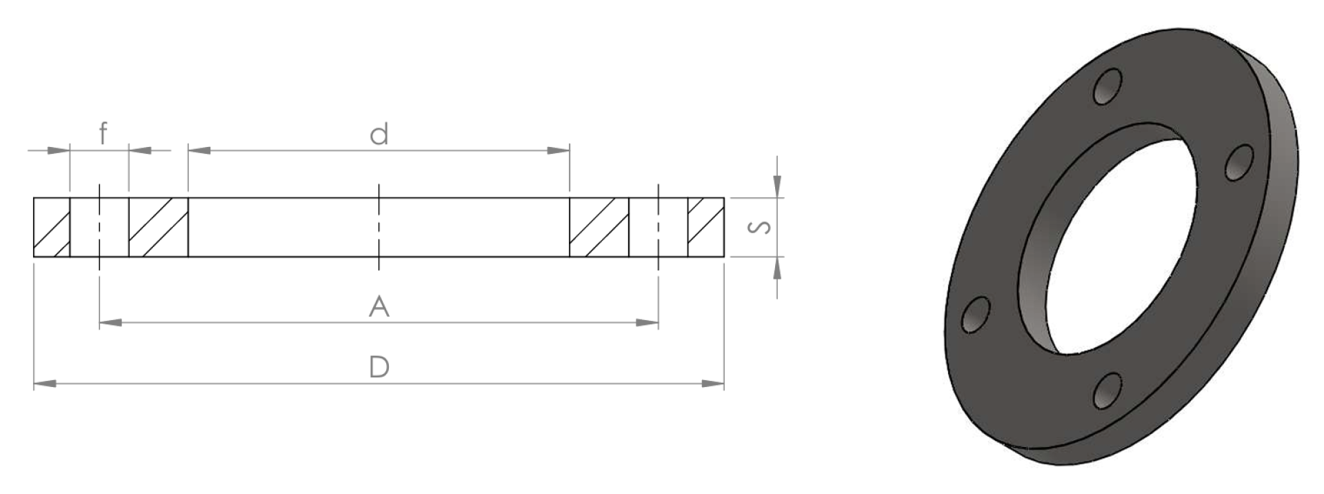
Flange piane da saldare a sovrapposizione EN1092-1 PN6 Tipo 1A (ex UNI 2276)
| DN | d | D | S | A | f | N. FORI | Kg |
| 15 | 22 | 80 | 12 | 55 | 11 | 4 | 0,40 |
| 20 | 27,5 | 90 | 14 | 65 | 11 | 4 | 0,59 |
| 25 | 34,5 | 100 | 14 | 75 | 11 | 4 | 0,72 |
| 32 | 43,5 | 120 | 16 | 90 | 14 | 4 | 1,16 |
| 40 | 49,5 | 130 | 16 | 100 | 14 | 4 | 1,35 |
| 50 | 61,5 | 140 | 16 | 110 | 14 | 4 | 1,48 |
| 65 | 77,5 | 160 | 16 | 130 | 14 | 4 | 1,85 |
| 80 | 90,5 | 190 | 18 | 150 | 18 | 4 | 2,95 |
| 100 | 116 | 210 | 18 | 170 |
18 | 4 | 3,26 |
| 125 | 141,5 | 240 | 20 | 200 | 18 | 8 | 4,31 |
| 150 | 170,5 | 265 | 20 | 225 | 18 | 8 | 4,75 |
| 200 | 221,5 | 320 | 22 | 280 | 18 | 8 | 6,88 |
| 250 | 276,5 | 375 | 24 | 335 | 18 | 12 | 8,92 |
| 300 | 327,5 | 440 | 24 | 395 | 22 | 12 | 11,91 |
| 350 | 359,5 | 490 | 26 | 445 | 22 | 12 | 16,83 |
| 400 | 411 | 540 | 28 | 495 | 22 | 16 | 19,83 |
| 450 | 462 | 595 | 30 | 550 | 22 | 16 | 24,56 |
| 500 | 513,5 | 645 | 30 | 600 | 22 | 20 | 26,37 |
| 600 | 616,5 | 755 | 32 | 705 | 26 | 20 | 34,79 |
Disponibilità a magazzino fino al DN300, su ordinazione fino al DN600.
Flange piane da saldare a sovrapposizione EN1092-1 PN10 Tipo 1A (ex UNI 2277)
| DN | d | D | S | A | f | N. FORI | Kg |
| 15 | 22 | 95 | 14 | 65 | 14 | 4 | 0,67 |
| 20 | 27,5 | 105 | 16 | 75 | 14 | 4 | 0,94 |
| 25 | 34,5 | 115 | 16 | 85 | 14 | 4 | 1,11 |
| 32 | 43,5 | 140 | 18 | 100 | 18 | 4 | 1,83 |
| 40 | 49,5 | 150 | 18 | 110 | 18 | 4 | 2,09 |
| 50 | 61,5 | 165 | 19 | 125 | 18 | 4 | 2,59 |
| 65 | 77,5 | 185 | 20 | 145 | 18 | 8 | 3,17 |
| 80 | 90,5 | 200 | 20 | 160 | 18 | 8 | 3,61 |
| 100 | 116 | 220 | 22 | 180 |
18 | 8 | 4,40 |
| 125 | 141,5 | 250 | 22 | 210 | 18 | 8 | 5,43 |
| 150 | 170,5 | 285 | 24 | 240 | 22 | 8 | 7,17 |
| 200 | 221,5 | 340 | 24 | 295 | 22 | 8 | 9,30 |
| 250 | 276,5 | 395 | 26 | 350 | 22 | 12 | 11,95 |
| 300 | 327,5 | 445 | 26 | 400 | 22 | 12 | 13,77 |
| 350 | 359,5 | 505 | 28 | 460 | 22 | 16 | 20,55 |
| 400 | 411 | 565 | 32 | 515 | 26 | 16 | 27,83 |
| 450 | 462 | 615 | 36 | 565 | 26 | 20 | 33,92 |
| 500 | 513,5 | 670 | 38 | 620 | 26 | 20 | 40,81 |
| 600 | 616,5 | 780 | 42 | 725 | 30 | 20 | 55,68 |
Disponibilità a magazzino fino al DN300, su ordinazione fino al DN600.
Flange piane da saldare a sovrapposizione EN1092-1 PN16 Tipo 1A (ex UNI 2278)
| DN | d | D | S | A | f | N. FORI | Kg |
| 15 | 22 | 95 | 14 | 65 | 14 | 4 | 0,67 |
| 20 | 27,5 | 105 | 16 | 75 | 14 | 4 | 0,94 |
| 25 | 34,5 | 115 | 16 | 85 | 14 | 4 | 1,11 |
| 32 | 43,5 | 140 | 18 | 100 | 18 | 4 | 1,83 |
| 40 | 49,5 | 150 | 18 | 110 | 18 | 4 | 2,09 |
| 50 | 61,5 | 165 | 19 | 125 | 18 | 4 | 2,59 |
| 65 | 77,5 | 185 | 20 | 145 | 18 | 8 | 3,17 |
| 80 | 90,5 | 200 | 20 | 160 | 18 | 8 | 3,61 |
| 100 | 116 | 220 | 22 | 180 |
18 | 8 | 4,40 |
| 125 | 141,5 | 250 | 22 | 210 | 18 | 8 | 5,43 |
| 150 | 170,5 | 285 | 24 | 240 | 22 | 8 | 7,17 |
| 200 | 221,5 | 340 | 26 | 295 | 22 | 12 | 9,73 |
| 250 | 276,5 | 405 | 29 | 355 | 26 | 12 | 14,20 |
| 300 | 327,5 | 460 | 32 | 410 | 26 | 12 | 18,98 |
| 350 | 359,5 | 520 | 35 | 470 | 26 | 16 | 28,11 |
| 400 | 411 | 580 | 38 | 525 | 30 | 16 | 35,85 |
| 450 | 462 | 640 | 42 | 585 | 30 | 20 | 46,11 |
| 500 | 513,5 | 715 | 46 | 650 | 33 | 20 | 64,00 |
| 600 | 616,5 | 840 | 52 | 770 | 36 | 20 | 96,01 |
Disponibilità a magazzino fino al DN300, su ordinazione fino al DN600.
Flange piane da saldare a sovrapposizione EN1092-1 PN40 Tipo 1A (ex UNI 6084)
| DN | d | D | S | A | f | N. FORI | Kg |
| 15 | 22 | 95 | 14 | 65 | 14 | 4 | 0,67 |
| 20 | 27,5 | 105 | 16 | 75 | 14 | 4 | 0,94 |
| 25 | 34,5 | 115 | 16 | 85 | 14 | 4 | 1,11 |
| 32 | 43,5 | 140 | 18 | 100 | 18 | 4 | 1,83 |
| 40 | 49,5 | 150 | 18 | 110 | 18 | 4 | 2,09 |
| 50 | 61,5 | 165 | 20 | 125 | 18 | 4 | 2,73 |
| 65 | 77,5 | 185 | 22 | 145 | 18 | 8 | 3,47 |
| 80 | 90,5 | 200 | 24 | 160 | 18 | 8 | 4,32 |
| 100 | 116 | 235 | 26 | 190 |
22 | 8 | 6,07 |
| 125 | 141,5 | 270 | 28 | 220 | 26 | 8 | 8,19 |
| 150 | 170,5 | 300 | 30 | 250 | 26 | 8 | 10,26 |
| 200 | 221,5 | 375 | 36 | 320 | 30 | 12 | 17,92 |
| 250 | 276,5 | 450 | 44 | 385 | 33 | 12 | 30,63 |
| 300 | 327,5 | 515 | 48 | 450 | 33 | 16 | 41,57 |
| 350 | 359,5 | 580 | 54 | 510 | 36 | 16 | 62,03 |
| 400 | 411 | 660 | 60 | 585 | 39 | 20 | 89,60 |
| 450 | 462 | 685 | 66 | 610 | 39 | 20 | 91,66 |
| 500 | 513,5 | 755 | 72 | 670 | 42 | 20 | 120,27 |
| 600 | 616,5 | 890 | 84 | 795 | 48 | 20 | 189,43 |
Disponibilità a magazzino fino al DN300, su ordinazione fino al DN600.