
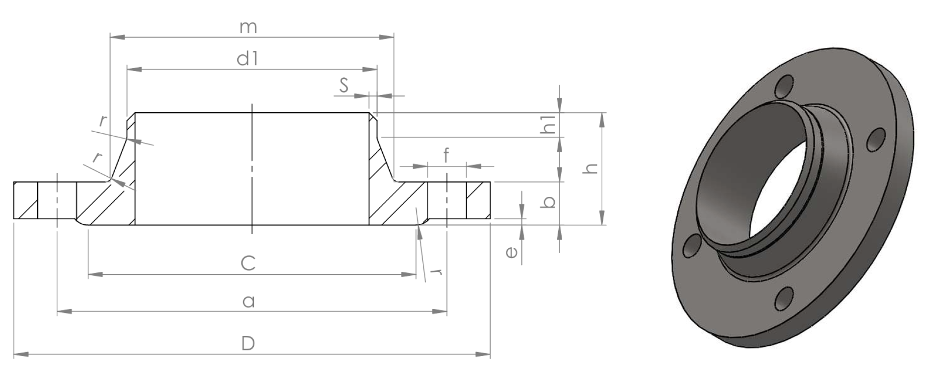
Flange a collarino EN1092-1 PN10 Tipo 11 (ex UNI 2281)
| DN | D | d1 | m | S | b | h | h1 | C | e | r | a | N. FORI | f | Kg |
| 15 | 95 | 22,5 | 32 | 2,5 | 14 | 35 | 6 | 45 | 2 | 4 | 65 | 4 | 14 | 0,73 |
| 20 | 105 | 28 | 40 | 2,5 | 16 | 38 | 6 | 58 | 2 | 4 | 75 | 4 | 14 | 1,03 |
| 25 | 115 | 34,5 | 45 | 2,8 | 16 | 38 | 6 | 68 | 2 | 4 | 85 | 4 | 14 | 1,23 |
| 32 | 140 | 43,5 | 56 | 3 | 16 | 40 | 6 | 78 | 2 | 6 | 100 | 4 | 18 | 1,80 |
| 40 | 150 | 49,5 | 64 | 3 | 16 | 42 | 7 | 88 | 3 | 6 | 110 | 4 | 18 | 2,08 |
| 50 | 165 | 61,5 | 75 | 3,5 | 18 | 45 | 8 | 102 | 3 | 6 | 125 | 4 | 18 | 2,78 |
| 65 | 185 | 77 | 90 | 3,5 | 18 | 45 | 10 | 122 | 3 | 6 | 145 | 4 | 18 | 3,40 |
| 80 | 200 | 90 | 105 | 3,7 | 20 | 50 | 10 | 138 | 3 | 8 | 160 | 4 | 18 | 4,20 |
| 100 | 220 | 115,5 | 131 | 3,7 | 20 | 52 | 12 | 158 | 3 | 8 | 180 | 8 | 18 | 4,75 |
| 125 | 250 | 141 | 156 | 4 | 22 | 55 | 12 | 188 | 3 | 8 | 210 | 8 | 18 | 6,45 |
| 150 | 285 | 170,5 | 184 | 5 | 22 | 55 | 12 | 212 | 3 | 10 | 240 | 8 | 22 | 8,00 |
| 200 | 340 | 221 | 235 | 5 | 24 | 62 | 16 | 268 | 3 | 10 | 295 | 8 | 22 | 11,40 |
| 250 | 395 | 275 | 292 | 5,5 | 26 | 68 | 16 | 320 | 3 | 12 | 350 | 12 | 22 | 15,20 |
| 300 | 445 | 326 | 344 | 6 | 26 | 68 | 16 | 370 | 4 | 12 | 400 | 12 | 22 | 18,00 |
| 350 | 505 | 357,5 | 385 | 6,4 | 26 | 68 | 16 | 430 | 4 | 12 | 460 | 16 | 22 | 24,50 |
| 400 | 565 | 408,5 | 440 | 7 | 26 | 72 | 16 | 482 | 4 | 12 | 515 | 16 | 25 | 30,20 |
| 450 | 615 | 459 | 478 | 7,3 | 26 | 72 | 16 | 532 | 4 | 12 | 565 | 20 | 25 | 32,30 |
| 500 | 670 | 510 | 542 | 7,3 | 28 | 75 | 16 | 585 | 4 | 12 | 620 | 20 | 25 | 40,40 |
| 600 | 780 | 611,5 | 642 | 7,3 | 28 | 80 | 18 | 685 | 5 | 12 | 725 | 20 | 30 | 50,00 |
Disponibilità a magazzino fino al DN300, su ordinazione fino al DN600.
Flange a collarino EN1092-1 PN16 Tipo 11 (ex UNI 2282)
| DN | D | d1 | m | S | b | h | h1 | C | e | r | a | N. FORI | f | Kg |
| 15 | 95 | 22,5 | 32 | 2,5 | 14 | 35 | 6 | 45 | 2 | 4 | 65 | 4 | 14 | 0,73 |
| 20 | 105 | 28 | 40 | 2,5 | 16 | 38 | 6 | 58 | 2 | 4 | 75 | 4 | 14 | 1,03 |
| 25 | 115 | 34,5 | 45 | 2,8 | 16 | 38 | 6 | 68 | 2 | 4 | 85 | 4 | 14 | 1,23 |
| 32 | 140 | 43,5 | 56 | 3 | 16 | 40 | 6 | 78 | 2 | 6 | 100 | 4 | 18 | 1,80 |
| 40 | 150 | 49,5 | 64 | 3 | 16 | 42 | 7 | 88 | 3 | 6 | 110 | 4 | 18 | 2,08 |
| 50 | 165 | 61,5 | 75 | 3,5 | 18 | 45 | 8 | 102 | 3 | 6 | 125 | 4 | 18 | 2,78 |
| 65 | 185 | 77 | 90 | 3,5 | 18 | 45 | 10 | 122 | 3 | 6 | 145 | 4 | 18 | 3,40 |
| 80 | 200 | 90 | 105 | 3,7 | 20 | 50 | 10 | 138 | 3 | 8 | 160 | 4 | 18 | 4,20 |
| 100 | 220 | 115,5 | 131 | 3,7 | 20 | 52 | 12 | 158 | 3 | 8 | 180 | 8 | 18 | 4,75 |
| 125 | 250 | 141 | 156 | 4 | 22 | 55 | 12 | 188 | 3 | 8 | 210 | 8 | 18 | 6,45 |
| 150 | 285 | 170,5 | 184 | 5 | 22 | 55 | 12 | 212 | 3 | 10 | 240 | 8 | 22 | 8,00 |
| 200 | 340 | 221 | 235 | 5 | 24 | 62 | 16 | 268 | 3 | 10 | 295 | 12 | 22 | 11,10 |
| 250 | 405 | 275 | 292 | 5,5 | 26 | 70 | 16 | 320 | 3 | 12 | 355 | 12 | 25 | 16,30 |
| 300 | 460 | 326 | 344 | 6 | 28 | 78 | 16 | 378 | 4 | 12 | 410 | 12 | 25 | 21,80 |
| 350 | 520 | 357,5 | 390 | 6,4 | 30 | 82 | 16 | 438 | 4 | 12 | 470 | 16 | 25 | 31,70 |
| 400 | 580 | 408,5 | 445 | 7 | 32 | 85 | 16 | 490 | 4 | 12 | 525 | 16 | 30 | 38,30 |
| 450 | 640 | 459 | 485 | 7,3 | 40 | 85 | 16 | 550 | 4 | 12 | 585 | 20 | 30 | 45,40 |
| 500 | 715 | 510 | 548 | 7,3 | 44 | 90 | 16 | 610 | 4 | 12 | 650 | 20 | 33 | 81,10 |
| 600 | 840 | 611,5 | 652 | 7,3 | 54 | 95 | 18 | 725 | 5 | 12 | 770 | 20 | 36 | 84,60 |
Disponibilità a magazzino fino al DN300, su ordinazione fino al DN600.