
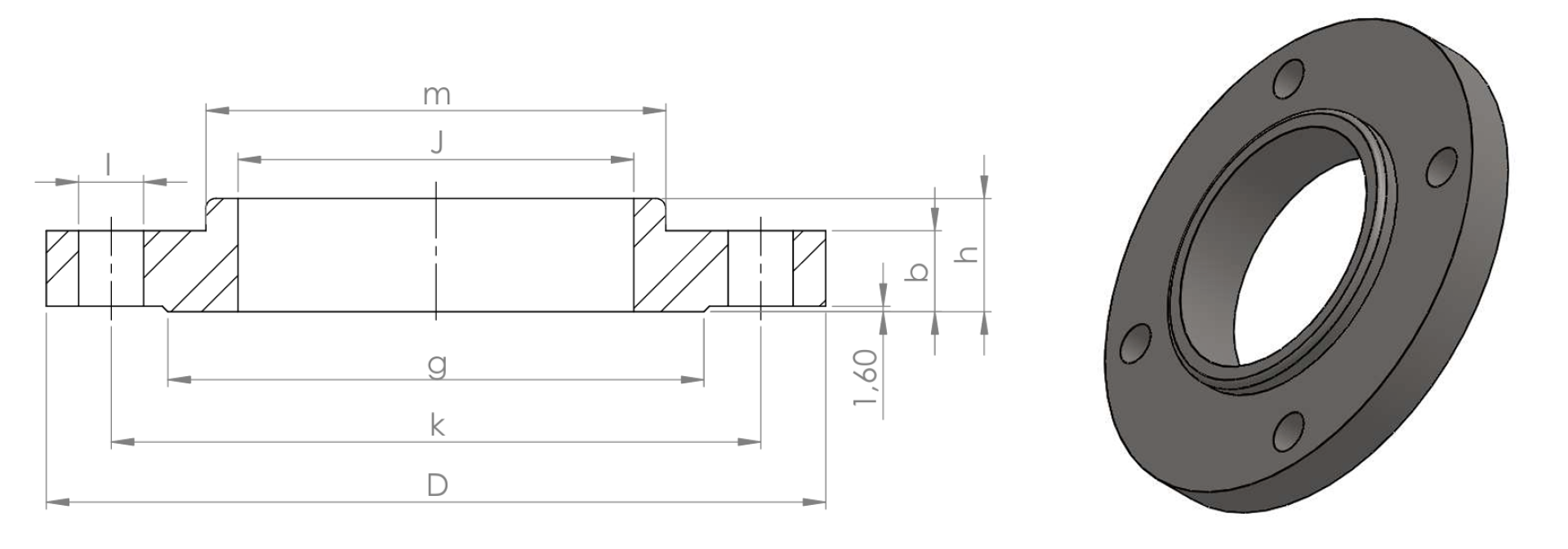
Flange Slip-ON ANSI 150 LB
| DN | D | J | b | h | m | g | k | N. FORI | I | Kg |
| 1/2" | 88,9 | 22,3 | 11,1 | 15,9 | 30,2 | 34,9 | 60,3 | 4 | 15,9 | 0,8 |
| 3/4" | 98,4 | 27,7 | 12,7 | 15,9 | 38,1 | 42,9 | 69,8 | 4 | 15,9 | 0,9 |
| 1" | 107,9 | 34,5 | 14,3 | 17,5 | 49,2 | 50,8 | 79,4 | 4 | 15,9 | 1,0 |
| 1"1/4 | 117,5 | 43,2 | 15,9 | 20,9 | 58,8 | 63,5 | 88,9 | 4 | 15,9 | 1,3 |
| 1"1/2 | 127 | 49,5 | 17,5 | 22,2 | 65,1 | 73 | 98,4 | 4 | 15,9 | 1,4 |
| 2" | 152,4 | 62 | 19 | 25,4 | 77,8 | 92,1 | 120,6 | 4 | 19 | 2,3 |
| 2"1/2 | 177,8 | 74,7 | 22,2 | 28,6 | 90,5 | 104,8 | 139,7 | 4 | 19 | 3,2 |
| 3" | 190,5 | 90,7 | 23,8 | 30,2 | 107,9 | 127 | 152,4 | 4 | 19 | 3,6 |
| 3"1/2 | 215,9 | 103,4 | 23,8 | 31,7 | 122,2 | 139,7 | 177,8 | 8 | 19 | 5,0 |
| 4" | 228,6 | 116,1 | 23,8 | 33,3 | 134,9 | 157,2 | 190,5 | 8 | 19 | 5,9 |
| 5" | 254 | 143,8 | 23,8 | 36,5 | 163,5 | 185,7 | 215,9 | 8 | 22,2 | 6,8 |
| 6" | 279,4 | 170,7 | 25,4 | 39,7 | 192,1 | 215,9 | 241,3 | 8 | 22,2 | 8,6 |
| 8" | 342,9 | 221,5 | 28,6 | 44,4 | 246,1 | 269,9 | 298,5 | 8 | 22,2 | 13,6 |
| 10" | 406,4 | 276,3 | 30,2 | 49,2 | 304,8 | 323,8 | 361,9 | 12 | 25,4 | 19,5 |
| 12" | 482,6 | 327,1 | 31,7 | 55,6 | 365,1 | 381 | 431,8 | 12 | 25,4 | 29,1 |
| 14" | 533,4 | 359,1 | 34,9 | 57,1 | 400 | 412,7 | 476,2 | 12 | 28,6 | 38,6 |
| 16" | 596,9 | 410,5 | 36,5 | 63,5 | 457,2 | 469,9 | 539,7 | 16 | 28,6 | 42,2 |
| 18" | 635 | 461,8 | 39,7 | 68,3 | 504,8 | 533,4 | 577,8 | 16 | 31,7 | 54,5 |
| 20" | 698,5 | 513,1 | 42,9 | 73 | 558,8 | 584,2 | 635 | 20 | 31,7 | 70,0 |
| 22" | 749,3 | 564,4 | 46 | 79,4 | 609,6 | 641,2 | 692,1 | 20 | 34,9 | 72,0 |
Disponibilità a magazzino fino al DN3"1/2, su ordinazione fino al DN22".
Flange Slip-ON ANSI 300 LB
| DN | D | J | b | h | m | g | k | N. FORI | I | Kg |
| 1/2" | 95,2 | 22,3 | 14,3 | 22,2 | 38,1 | 34,9 | 66,7 | 4 | 15,9 | 1,2 |
| 3/4" | 117,5 | 27,7 | 15,9 | 25,4 | 47,6 | 42,9 | 82,5 | 4 | 19 | 1,3 |
| 1" | 123,8 | 34,5 | 17,5 | 27 | 54 | 50,8 | 88,9 | 4 | 19 | 1,4 |
| 1"1/4 | 133,3 | 43,2 | 19 | 27 | 63,5 | 63,5 | 98,4 | 4 | 19 | 1,8 |
| 1"1/2 | 155,6 | 49,5 | 20,6 | 30,2 | 69,8 | 73 | 114,3 | 4 | 22,2 | 2,7 |
| 2" | 165,1 | 62 | 22,2 | 33,3 | 84,1 | 92,1 | 127 | 8 | 19 | 3,2 |
| 2"1/2 | 190,5 | 74,7 | 25,4 | 38,1 | 100 | 104,8 | 149,2 | 8 | 22,2 | 4,5 |
| 3" | 209,5 | 90,7 | 28,6 | 42,9 | 117,5 | 127 | 168,3 | 8 | 22,2 | 5,9 |
| 3"1/2 | 228,6 | 103,4 | 30,2 | 44,4 | 133,3 | 139,7 | 184,1 | 8 | 22,2 | 7,7 |
| 4" | 254 | 116,1 | 31,7 | 47,6 | 146 | 157,2 | 200 | 8 | 22,2 | 10,0 |
| 5" | 279,4 | 143,8 | 34,9 | 50,8 | 177,8 | 185,7 | 234 | 8 | 22,2 | 12,7 |
| 6" | 317,5 | 170,7 | 36,5 | 52,4 | 206,4 | 215,9 | 269,9 | 12 | 22,2 | 17,7 |
| 8" | 381 | 221,5 | 41,3 | 61,9 | 260,3 | 269,9 | 330,2 | 12 | 25,4 | 26,3 |
| 10" | 444,5 | 276,3 | 47,6 | 66,7 | 320,7 | 323,8 | 387,3 | 16 | 28,6 | 36,8 |
| 12" | 520,7 | 327,1 | 50,8 | 73 | 374,6 | 381 | 450,8 | 16 | 31,7 | 52,0 |
| 14" | 584,2 | 359,1 | 54 | 76,2 | 425,4 | 412,7 | 514,3 | 20 | 31,7 | 74,0 |
| 16" | 647,7 | 410,5 | 57,1 | 82,5 | 482,6 | 469,9 | 571,5 | 20 | 34,9 | 100,0 |
| 18" | 711,2 | 461,8 | 60,3 | 88,9 | 533,4 | 533,4 | 628,6 | 24 | 34,9 | 127,0 |
| 20" | 774,7 | 513,1 | 63,5 | 95,2 | 587,4 | 584,2 | 685,8 | 24 | 34,9 | 148,0 |
| 22" | 838,2 | 564,4 | 66,7 | 101,6 | 641,2 | 641,2 | 742,9 | 24 | 41,3 | 197,0 |
Disponibilità a magazzino fino al DN3"1/2, su ordinazione fino al DN22".