
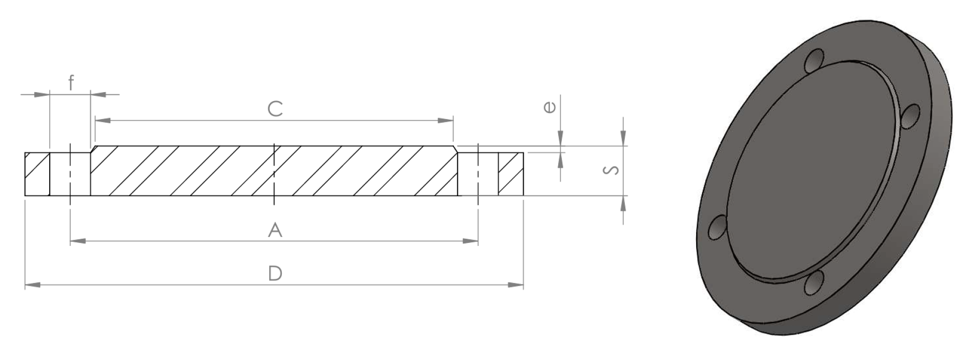
Flange cieche con gradino EN1092-1 PN10 Tipo 5B (ex UNI 6092/29)
| DN | D | S | A | f | N. FORI | C | e | Kg |
| 15 | 95 | 16 | 65 | 14 | 4 | 45 | 2 | 0,81 |
| 20 | 105 | 18 | 75 | 14 | 4 | 58 | 2 | 1,14 |
| 25 | 115 | 18 | 85 | 14 | 4 | 68 | 2 | 1,38 |
| 32 | 140 | 18 | 100 | 18 | 4 | 78 | 2 | 2,03 |
| 40 | 150 | 18 | 110 | 18 | 4 | 88 | 3 | 2,35 |
| 50 | 165 | 18 | 125 | 18 | 4 | 102 | 3 | 2,59 |
| 65 | 185 | 18 | 145 | 18 | 8 | 122 | 3 | 3,32 |
| 80 | 200 | 20 | 160 | 18 | 8 | 138 | 3 | 3,60 |
| 100 | 220 | 22 | 180 |
18 | 8 | 158 | 3 | 4,39 |
| 125 | 250 | 22 | 210 | 18 | 8 | 188 | 3 | 5,41 |
| 150 | 285 | 22 | 240 | 22 | 8 | 212 | 3 | 7,14 |
| 200 | 340 | 24 | 295 | 22 | 8 | 268 | 3 | 16,53 |
| 250 | 395 | 26 | 350 | 22 | 12 | 320 | 3 | 24,08 |
| 300 | 445 | 26 | 400 | 22 | 12 | 370 | 4 | 30,81 |
| 350 | 505 | 26 | 460 | 22 | 16 | 430 | 4 | 39,64 |
| 400 | 565 | 26 | 515 | 26 | 16 | 482 | 4 | 49,44 |
| 450 | 615 | 28 | 565 | 26 | 20 | 532 | 4 | 62,96 |
| 500 | 670 | 28 | 620 | 26 | 20 | 585 | 4 | 75,16 |
| 600 | 780 | 34 | 725 | 30 | 20 | 685 | 5 | 123,76 |
Disponibilità a magazzino fino al DN300, su ordinazione fino al DN600.
Flange con gradino EN1092-1 PN16 Tipo 5B (ex UNI 6093/29)
| DN | D | S | A | f | N. FORI | C | e | Kg |
| 15 | 95 | 16 | 65 | 14 | 4 | 45 | 2 | 0,67 |
| 20 | 105 | 18 | 75 | 14 | 4 | 58 | 2 | 0,94 |
| 25 | 115 | 18 | 85 | 14 | 4 | 68 | 2 | 1,11 |
| 32 | 140 | 18 | 100 | 18 | 4 | 78 | 2 | 1,82 |
| 40 | 150 | 18 | 110 | 18 | 4 | 88 | 3 | 2,08 |
| 50 | 165 | 18 | 125 | 18 | 4 | 102 | 3 | 2,59 |
| 65 | 185 | 18 | 145 | 18 | 8 | 122 | 3 | 3,32 |
| 80 | 200 | 20 | 160 | 18 | 8 | 138 | 3 | 3,60 |
| 100 | 220 | 20 | 180 |
18 | 8 | 158 | 3 | 4,39 |
| 125 | 250 | 22 | 210 | 18 | 8 | 188 | 3 | 5,41 |
| 150 | 285 | 22 | 240 | 22 | 8 | 212 | 3 | 7,14 |
| 200 | 340 | 24 | 295 | 22 | 12 | 268 | 3 | 9,73 |
| 250 | 405 | 26 | 355 | 26 | 12 | 320 | 3 | 14,21 |
| 300 | 460 | 28 | 410 | 26 | 12 | 378 | 4 | 18,99 |
| 350 | 520 | 30 | 470 | 26 | 16 | 438 | 4 | 28,13 |
| 400 | 580 | 32 | 525 | 30 | 16 | 490 | 4 | 35,86 |
| 450 | 640 | 40 | 585 | 30 | 20 | 550 | 4 | 46,13 |
| 500 | 715 | 44 | 650 | 33 | 20 | 610 | 4 | 64,03 |
| 600 | 840 | 54 | 770 | 36 | 20 | 725 | 5 | 96,05 |
Disponibilità a magazzino fino al DN300, su ordinazione fino al DN600.